Ningbo Richge Technology Co, Ltd.
Ningbo Richge Technology Co, Ltd.
Mga produkto
VBI-24 Nakatakdang uri ng pagkakabukod ng Cylinder MV Vacuum circuit breaker
  • VBI-24 Nakatakdang uri ng pagkakabukod ng Cylinder MV Vacuum circuit breakerVBI-24 Nakatakdang uri ng pagkakabukod ng Cylinder MV Vacuum circuit breaker
  • VBI-24 Nakatakdang uri ng pagkakabukod ng Cylinder MV Vacuum circuit breakerVBI-24 Nakatakdang uri ng pagkakabukod ng Cylinder MV Vacuum circuit breaker

VBI-24 Nakatakdang uri ng pagkakabukod ng Cylinder MV Vacuum circuit breaker

Model:VBI-24
Ang serye ng VBI na panloob na vacuum circuit breaker ay isang bagong henerasyon ng mga intelihenteng vacuum circuit breakers. Ang mga live na sangkap nito, kabilang ang high-performance vacuum interrupter at itaas at mas mababang papalabas na mga terminal, ay naka-encode sa mga terminal ng poste ng epoxy resin. Ang disenyo na ito ay tumutulong upang maiwasan ang kontaminasyon sa ibabaw ng vacuum interrupter, pagpapahusay ng mga katangian ng pagkakabukod, mekanikal na katatagan, at pagpapalawak ng buhay na pagpapatakbo nito. Ang mekanismo ng operasyon ng VBI-24 na naka-mount na uri ng vacuum circuit beaker ay ginagamit na tagsibol sa enerhiya ng imbakan, na maaaring pinatatakbo ng dalawang paraan, manu-manong o elektrikal.Ang mga katangian ay naaayon sa GB1984-89, JB3855-96<10kv Indoor High Voltage Vacuum Circuit Breaker General Technical Specifications>, Mga kaugnay na probisyon ng pamantayang IEC56. Ang VBI-24 panloob na mataas na boltahe na vacuum circuit breaker ay three-phase AC 50Hz , na-rate na boltahe ng 24KV panloob na aparato , para sa mga pang-industriya at pagmimina, mga halaman ng kuryente at mga pagpapalit bilang mga de-koryenteng kagamitan sa kontrol at mga layunin ng proteksyon, at para sa madalas na operasyon ng lugar.

VBI-24 Nakatakdang uri ng pagkakabukod ng Cylinder MV Vacuum circuit breaker

   Ang serye ng VBI-24 ng panloob na mataas na boltahe na vacuum circuit breaker na may naka-embed na mga poste ay tatlong parirala a.c.50 Hz panloob na kagamitan sa pamamahagi ng kuryente na may na-rate na boltahe ng 24 kv.it na ginamit para sa pagprotekta at pagkontrol sa mga de-koryenteng kagamitan sa mga patlang ng industriya at pagmimina ng negosyo, mga halaman ng kuryente at pagpapalit.

   Ang pangunahing conductive circuit ng ganitong uri ng vacuum circuit breaker na may mekanismo ng tagsibol ay naka-embed na poste, na maaaring mapabuti ang pagiging maaasahan ng pagkakabukod, mekanikal at pagsira sa pagganap at talagang napagtanto ang libreng pagpapanatili at mas mahaba ang mekanikal at elektrikal na buhay.Ang uri ng vacuum circuit breaker ay umaayon sa pambansang pamantayan at ang mga stipulasyon ng pamantayan ng IEC. Ang kakayahan ay umabot sa grade ng M-E2-C2.

   Ang produkto ay ginagamit para sa maraming uri ng switchgear tulad ng Kyn28-24 (GZS1) at maaaring maayos na pag-install.

  Ang VBI-24 panloob na mataas na boltahe na vacuum circuit breaker ay three-phase AC 50Hz , na-rate na boltahe ng 24KV panloob na aparato , para sa mga pang-industriya at pagmimina, mga halaman ng kuryente at mga pagpapalit bilang mga de-koryenteng kagamitan sa kontrol at mga layunin ng proteksyon, at para sa madalas na operasyon ng lugar.







Pangunahing impormasyon.


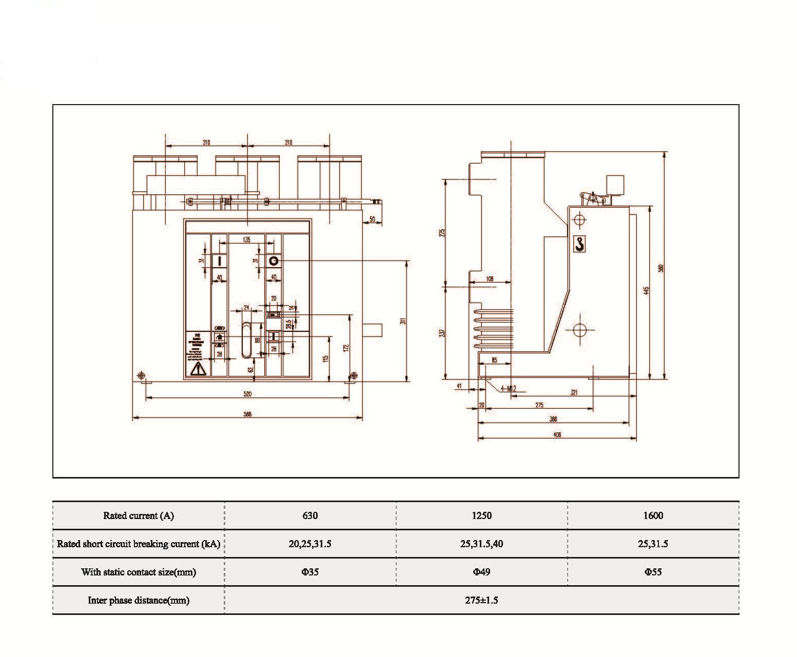
Mga teknikal na parameter




Mga guhit sa teknikal

FAQ

Q: Maaari ba akong magkaroon ng mga presyo ng iyong mga produkto?

A: Maligayang pagdating. Mangyaring huwag mag -atubiling magpadala sa amin ng pagtatanong dito. Sasagot ka namin sa loob ng 24 na oras.


Q: Maaari ba akong makakuha ng isang sample bago ang bulk order?

A: Oo, tinatanggap namin ang halimbawang order upang subukan at suriin ang kalidad.Mixed sample ay katanggap -tanggap.


Q: Maaari ba nating i -print ang aming logo/ pangalan ng kumpanya sa mga produkto?

A: Oo, siyempre, tinatanggap namin ang OEM, pagkatapos ay kailangan mong magbigay ng pahintulot sa amin ng tatak sa amin


Q: Tumatanggap ka ba ng pagpapasadya ng produkto?

A: Oo, siyempre, mangyaring magbigay ng mga tukoy na guhit o mga parameter, susipi ka namin pagkatapos ng pagsusuri


Q: Ano ang oras ng tingga?

A: Ang oras ng tingga ay nakasalalay sa dami na iniutos, sa pangkalahatan sa loob ng 7-20 araw pagkatapos matanggap ang pagbabayad.


Q: Ano ang iyong mga termino sa kalakalan?

A: Tumatanggap kami ng exw, fob, cif, fca, atbp.


Q: Ano ang paraan ng iyong pagbabayad?  

A: Tumatanggap kami ng T/T, Western Union, PayPal, hindi maibabalik na L/C sa paningin, atbp


Q: Sinusuri mo ba ang mga natapos na produkto?

A: Oo, ang bawat hakbang ng produksiyon at mga natapos na produkto ay lumabas na inspeksyon ng QC Department bago ang pagpapadala. At magbibigay kami ng mga ulat sa inspeksyon ng mga kalakal para sa iyong sanggunian bago ang kargamento


T: Paano malulutas ang mga problema sa kalidad pagkatapos ng mga benta?

A: Kumuha ng mga larawan ng mga problema sa kalidad at ipadala sa amin para sa aming pagsuri at pagkumpirma, gagawa kami ng isang nasiyahan na solusyon para sa iyo sa loob ng 3 araw.




Pabrika


Sertipiko




Mga Hot Tags: VBI-24 Nakatakdang uri ng pagkakabukod ng Cylinder MV vacuum circuit breaker, China, tagagawa, tagapagtustos, pabrika, mababang presyo, kalidad, pinakabagong pagbebenta, advanced
Magpadala ng Inquiry
Impormasyon sa Pakikipag-ugnayan
Para sa mga katanungan tungkol sa low voltage switchgear, high voltage insulators, high voltage earthing switch o listahan ng presyo, mangyaring iwanan ang iyong email sa amin at makikipag-ugnayan kami sa loob ng 24 na oras.
X
Gumagamit kami ng cookies para mag-alok sa iyo ng mas magandang karanasan sa pagba-browse, pag-aralan ang trapiko sa site at i-personalize ang content. Sa paggamit ng site na ito, sumasang-ayon ka sa aming paggamit ng cookies. Patakaran sa Privacy
Tanggihan Tanggapin